SmartGear SGG. Π―ΡΠ΅ΠΉΠΊΠΈ Ρ ΡΠ»Π΅Π³Π°Π·ΠΎΠ²ΠΎΠΉ ΠΈΠ·ΠΎΠ»ΡΡΠΈΠ΅ΠΉ.
ΠΠ΅ΠΏΡΠ΅Π²Π·ΠΎΠΉΠ΄Π΅Π½Π½ΠΎΠ΅ ΡΠΎΠΎΡΠ½ΠΎΡΠ΅Π½ΠΈΠ΅ ΡΠ΅Π½Π°/ΠΊΠ°ΡΠ΅ΡΡΠ²ΠΎ
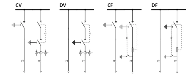
ΠΡΠΎ ΡΠ½ΠΈΠΊΠ°Π»ΡΠ½ΠΎΠ΅ ΠΈΠ½Π½ΠΎΠ²Π°ΡΠΈΠΎΠ½Π½ΠΎΠ΅ ΠΊΠΎΠΌΠΏΠ»Π΅ΠΊΡΠ½ΠΎΠ΅ ΡΠ°ΡΠΏΡΠ΅Π΄Π΅Π»ΠΈΡΠ΅Π»ΡΠ½ΠΎΠ΅ ΡΡΡΡΠΎΠΉΡΡΠ²ΠΎ Ρ ΠΊΠΎΠΌΠ±ΠΈΠ½Π°ΡΠΈΠ΅ΠΉ Π²Π°ΠΊΡΡΠΌΠ½ΠΎΠ³ΠΎ ΠΊΠΎΠΌΠΌΡΡΠ°ΡΠΈΠΎΠ½Π½ΠΎΠ³ΠΎ Π°ΠΏΠΏΠ°ΡΠ°ΡΠ° ΠΈ ΡΠ»Π΅Π³Π°Π·ΠΎΠ²ΠΎΠΉ (SF6) ΠΈΠ·ΠΎΠ»ΡΡΠΈΠ΅ΠΉ ΡΠΎΠΊΠΎΠ²Π΅Π΄ΡΡΠΈΡ ΡΠ°ΡΡΠ΅ΠΉ ΠΏΡΠ΅Π΄Π½Π°Π·Π½Π°ΡΠ΅Π½Π½ΠΎΠ΅ Π΄Π»Ρ ΠΏΡΠΈΠ΅ΠΌΠ° ΠΈ ΡΠ°ΡΠΏΡΠ΅Π΄Π΅Π»Π΅Π½ΠΈΡ ΡΠ»Π΅ΠΊΡΡΠΈΡΠ΅ΡΠΊΠΎΠΉ ΡΠ½Π΅ΡΠ³ΠΈΠΈ Π² ΡΠ΅ΡΡΡ Ρ ΠΈΠ·ΠΎΠ»ΠΈΡΠΎΠ²Π°Π½Π½ΠΎΠΉ Π½Π΅ΠΉΡΡΠ°Π»ΡΡ Ρ Π½ΠΎΠΌΠΈΠ½Π°Π»ΡΠ½ΡΠΌ Π½Π°ΠΏΡΡΠΆΠ΅Π½ΠΈΠ΅ΠΌ 6-20 ΠΊΠ. Π£ΡΡΡΠΎΠΉΡΡΠ²Π° SmartGear ΠΎΡΠ½Π°ΡΠ°ΡΡΡΡ ΠΊΠ°ΠΌΠ΅ΡΠ°ΠΌΠΈ ΠΎΡΠ΅Π²ΠΎΠ³ΠΎ ΠΌΠ°Π³Π½ΠΈΡΠ½ΠΎΠ³ΠΎ ΠΏΠΎΠ»Ρ ΠΏΠΎ ΠΏΡΠΈΡΠΈΠ½Π΅ Π½Π΅Π·Π½Π°ΡΠΈΡΠ΅Π»ΡΠ½ΠΎΠΉ ΡΡΠΎΠ·ΠΈΠΈ ΠΊΠΎΠ½ΡΠ°ΠΊΡΠΎΠ² ΠΈ ΠΎΡΠ»ΠΈΡΠ½ΠΎΠΉ ΡΠ°Π·ΠΌΡΠΊΠ°ΡΡΠ΅ΠΉ ΡΠΏΠΎΡΠΎΠ±Π½ΠΎΡΡΠΈ ΠΏΡΠΈ Π½ΠΈΠ·ΠΊΠΈΡ ΠΈ Π²ΡΡΠΎΠΊΠΈΡ Π°Π²Π°ΡΠΈΠΉΠ½ΡΡ ΡΠΎΠΊΠ°Ρ . ΠΡΠ΅ΠΈΠΌΡΡΠ΅ΡΡΠ²Π° ΠΎΡ Π½Π΅Π·Π½Π°ΡΠΈΡΠ΅Π»ΡΠ½ΠΎΠΉ ΡΡΠΎΠ·ΠΈΠΈ ΠΊΠΎΠ½ΡΠ°ΠΊΡΠΎΠ² Π΄Π΅Π»Π°Π΅Ρ ΡΡΠΎΡ ΡΠΈΠΏ ΠΊΠ°ΠΌΠ΅Ρ ΠΎΡΠΎΠ±Π΅Π½Π½ΠΎ ΠΏΡΠΈΠ³ΠΎΠ΄Π½ΡΠΌ Π΄Π»Ρ ΠΈΡΠΏΠΎΠ»ΡΠ·ΠΎΠ²Π°Π½ΠΈΡ Π² Π½Π΅Π²ΡΠΊΠ°ΡΠ½ΡΡ ΡΠΈΡΡΠ΅ΠΌΠ°Ρ ΠΈ Π³Π΅ΡΠΌΠ΅ΡΠΈΡΠ½ΡΡ ΡΠΈΡΡΠ΅ΠΌΠ°Ρ , ΡΠ°ΠΊ ΠΊΠ°ΠΊ Π·Π°ΠΌΠ΅Π½Π° Π²ΡΠΊΠ»ΡΡΠ°ΡΠ΅Π»Ρ Π² ΡΠ΅ΡΠ΅Π½ΠΈΠ΅ ΡΡΠΎΠΊΠ° ΡΠ»ΡΠΆΠ±Ρ ΡΡΡΡΠΎΠΉΡΡΠ²Π° Π½Π΅ ΡΡΠ΅Π±ΡΠ΅ΡΡΡ. ΠΡΠΎ ΡΠ°ΠΊΠΆΠ΅ ΠΏΠΎΠ·Π²ΠΎΠ»ΡΠ΅Ρ ΠΏΡΠΎΠΈΠ·Π²ΠΎΠ΄ΠΈΡΡ Π½Π΅ΠΎΠ±ΡΠ»ΡΠΆΠΈΠ²Π°Π΅ΠΌΡΠ΅ ΡΠ°ΡΠΏΡΠ΅Π΄Π΅Π»ΠΈΡΠ΅Π»ΡΠ½ΡΠ΅ ΡΡΡΡΠΎΠΉΡΡΠ²Π°. ΠΡΠΈΡΡΡΡΡΠ²ΠΈΠ΅ ΠΏΠΎΠ΄ΠΊΠΎΠ²ΠΎΠΎΠ±ΡΠ°Π·Π½ΠΎΠ³ΠΎ ΠΆΠ΅Π»Π΅Π·Π½ΠΎΠ³ΠΎ ΡΠ»ΠΎΡ Π²Π½ΡΡΡΠΈ Π³Π»Π°Π²Π½ΡΡ ΠΊΠΎΠ½ΡΠ°ΠΊΡΠΎΠ² Π½Π°ΠΏΡΠ°Π²Π»ΡΠ΅Ρ ΠΌΠ°Π³Π½ΠΈΡΠ½ΠΎΠ΅ ΠΏΠΎΠ»Π΅ Π²ΠΎ Π²ΡΠ΅ΠΌΡ ΠΏΡΠΎΡΠ΅ΠΊΠ°Π½ΠΈΡ ΡΠΎΠΊΠ° ΠΊΠΎΡΠΎΡΠΊΠΎΠ³ΠΎ Π·Π°ΠΌΡΠΊΠ°Π½ΠΈΡ Π² ΠΎΡΠ΅Π²ΠΎΠΌ Π½Π°ΠΏΡΠ°Π²Π»Π΅Π½ΠΈΠΈ ΠΌΠ΅ΠΆΠ΄Ρ ΠΊΠΎΠ½ΡΠ°ΠΊΡΠ°ΠΌΠΈ Π²ΠΎ Π²ΡΠ΅ΠΌΡ ΡΠ°Π·ΡΡΠ²Π° ΡΠΎΠΊΠ° ΠΊΠΎΡΠΎΡΠΊΠΎΠ³ΠΎ Π·Π°ΠΌΡΠΊΠ°Π½ΠΈΡ. ΠΠ°Π½Π½ΠΎΠ΅ ΠΊΠΎΠΌΠΏΠ»Π΅ΠΊΡΠ½ΠΎΠ΅ ΡΠ°ΡΠΏΡΠ΅Π΄Π΅Π»ΠΈΡΠ΅Π»ΡΠ½ΠΎΠ΅ ΡΡΡΡΠΎΠΉΡΡΠ²ΠΎ ΠΌΠ°ΠΊΡΠΈΠΌΠ°Π»ΡΠ½ΠΎ Π½Π°Π΄Π΅ΠΆΠ½ΠΎ, Π±Π΅Π·ΠΎΠΏΠ°ΡΠ½ΠΎ ΠΈ ΠΏΡΠΎΡΡΠΎ Π² ΡΠΊΡΠΏΠ»ΡΠ°ΡΠ°ΡΠΈΠΈ ΠΈ Π² ΡΠΎ ΠΆΠ΅ Π²ΡΠ΅ΠΌΡ ΠΏΠΎΠ·Π²ΠΎΠ»ΡΠ΅Ρ ΡΠ΅Π°Π»ΠΈΠ·ΠΎΠ²Π°ΡΡ Π²Π΅ΡΡ ΡΠΏΠ΅ΠΊΡΡ ΠΈΠ½Π½ΠΎΠ²Π°ΡΠΈΠΎΠ½Π½ΡΡ ΡΠ°Π·ΡΠ°Π±ΠΎΡΠΎΠΊ Π΄Π»Ρ ΡΠΎΠ²ΡΠ΅ΠΌΠ΅Π½Π½ΡΡ ΡΠ»Π΅ΠΊΡΡΠΈΡΠ΅ΡΠΊΠΈΡ ΡΠ΅ΡΠ΅ΠΉ.




1. ΠΠΎΠΌΠΈΠ½Π°Π»ΡΠ½ΠΎΠ΅ Π½Π°ΠΏΡΡΠΆΠ΅Π½ΠΈΠ΅: 10 ΠΊΠ, 20 ΠΊΠ 2. ΠΠ°ΠΈΠ±ΠΎΠ»ΡΡΠ΅Π΅ ΡΠ°Π±ΠΎΡΠ΅Π΅ Π½Π°ΠΏΡΡΠΆΠ΅Π½ΠΈΠ΅: 12 ΠΊΠ, 24 ΠΊΠ 3. ΠΠΎΠΌΠΈΠ½Π°Π»ΡΠ½ΡΠΉ ΡΠΎΠΊ: 630 Π, 1250 Π 4. ΠΠΎΠΌΠΈΠ½Π°Π»ΡΠ½ΡΠΉ ΡΠΎΠΊ ΠΎΡΠΊΠ»ΡΡΠ΅Π½ΠΈΡ: 16ΠΊΠ, 20ΠΊΠ, 25 ΠΊΠ 5. Π’ΠΎΠΊ ΡΠ»Π΅ΠΊΡΡΠΎΠ΄ΠΈΠ½Π°ΠΌΠΈΡΠ΅ΡΠΊΠΎΠΉ ΡΡΠΎΠΉΠΊΠΎΡΡΠΈ: 40ΠΊΠ, 50ΠΊΠ, 63ΠΊΠ 6. Π’ΠΎΠΊ ΡΠ΅ΡΠΌΠΈΡΠ΅ΡΠΊΠΎΠΉ ΡΡΠΎΠΉΠΊΠΎΡΡΠΈ, 3Ρ: 16ΠΊΠ, 20ΠΊΠ, 25 ΠΊΠ 7. ΠΠΌΠΏΡΠ»ΡΡΠ½ΠΎΠ΅ ΠΏΠ΅ΡΠ΅Π½Π°ΠΏΡΡΠΆΠ΅Π½ΠΈΠ΅: 75 ΠΊΠ, 125 ΠΊΠ 8. ΠΠ΅ΡΠ΅Π½Π°ΠΏΡΡΠΆΠ΅Π½ΠΈΠ΅ ΠΏΡΠΎΠΌΡΡΠ»Π΅Π½Π½ΠΎΠΉ ΡΠ°ΡΡΠΎΡΡ, 1 ΠΌΠΈΠ½: 42 ΠΊΠ, 50 ΠΊΠ 9. ΠΠΎΠ»ΠΈΡΠ΅ΡΡΠ²ΠΎ ΠΎΠΏΠ΅ΡΠ°ΡΠΈΠΉ, ΠΠ: 10 000 ΡΠΈΠΊΠ»ΠΎΠ² 10. Π‘ΡΠΎΠΊ ΡΠ»ΡΠΆΠ±Ρ: 30 Π»Π΅Ρ 11. Π‘ΡΠ΅ΠΏΠ΅Π½Ρ Π·Π°ΡΠΈΡΡ ΠΎΠ±ΠΎΠ»ΠΎΡΠΊΠΈ/ΡΠΈΠ»ΠΎΠ²ΡΡ ΡΠ΅ΠΏΠ΅ΠΉ: IP4X/IP67 12. ΠΠ°ΠΊΡΡΠΌΠ½ΡΠΉ Π²ΡΠΊΠ»ΡΡΠ°ΡΠ΅Π»Ρ Π² ΠΊΠΎΠΌΠ±ΠΈΠ½Π°ΡΠΈΠΈ Ρ ΡΡΠ΅Ρ ΠΏΠΎΠ·ΠΈΡΠΈΠΎΠ½Π½ΡΠΌ ΡΠ°Π·ΡΠ΅Π΄ΠΈΠ½ΠΈΡΠ΅Π»Π΅ΠΌ-Π·Π°Π·Π΅ΠΌΠ»ΠΈΡΠ΅Π»Π΅ΠΌ.








ΠΡΠΈΠΌΠ΅Ρ ΠΎΠ±ΠΎΠ·Π½Π°ΡΠ΅Π½ΠΈΡ: SGG-20-CCVC-1250/25-Π£3 1. SG - SmartGear ΡΠ΅ΡΠΈΡ 2. G - Gas, Ρ Π»ΠΈΡΠΎΠΉ ΠΈΠ·ΠΎΠ»ΡΡΠΈΠ΅ΠΉ 3. ΠΠΎΠΌΠΈΠ½Π°Π»ΡΠ½ΠΎΠ΅ Π½Π°ΠΏΡΡΠΆΠ΅Π½ΠΈΠ΅: 20 - 20 ΠΊΠ 4. Π’ΠΈΠΏ ΡΡΠ΅Π΅ΠΊ. Π‘Π‘VC 5. ΠΠΎΠΌΠΈΠ½Π°Π»ΡΠ½ΡΠΉ ΡΠΎΠΊ ΡΠΈΠ»ΠΎΠ²ΠΎΠΉ ΡΠ΅ΠΏΠΈ: 1250 Π 6. Π’ΠΎΠΊ ΡΠ΅ΡΠΌΠΈΡΠ΅ΡΠΊΠΎΠΉ ΡΡΠΎΠΉΠΊΠΎΡΡΠΈ: 25 ΠΊΠ 7. ΠΠ»ΠΈΠΌΠ°ΡΠΈΡΠ΅ΡΠΊΠΎΠ΅ ΠΈΡΠΏΠΎΠ»Π½Π΅Π½ΠΈΠ΅: Π£3











